Ваш город:
Владимир
Ваш город Владимир?
Да Выбрать другой
Заказать звонок
Фильтр

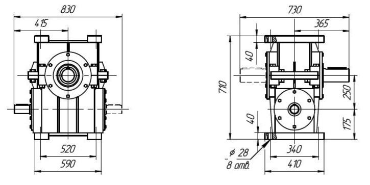
Редуктор Ч-250

Описание

Габаритные размеры Ч-250

С опорным фланцем

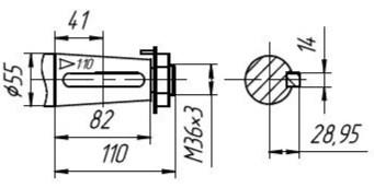
Входной вал «Квн»

Входной вал «Кнар»

Входной вал «Ц»

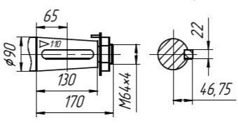
Выходной вал «Квн»

Выходной вал «Кнар»

Выходной вал «Ц»

 

Назад
Выбор города