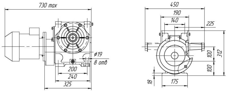
Габаритные размеры
С опорным фланцем
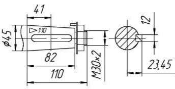
Выходной вал «Квн»
Выходной вал «Кнар»
Выходной вал «Ц»
Выходной вал с шлицевым валом
Выходной вал с шпоночным валом
Продолжая, вы соглашаетесь со сбором и обработкой персональных данных и пользовательским соглашением.
Нашли дешевле?
Оставьте свои контактные данные. Наш менеджер свяжется с вами в ближайшее время.
Таблица размеров
Бесплатная консультация
Нажимая на кнопку «Заказать звонок», вы даете согласие на обработку персональных данных.